crane 15

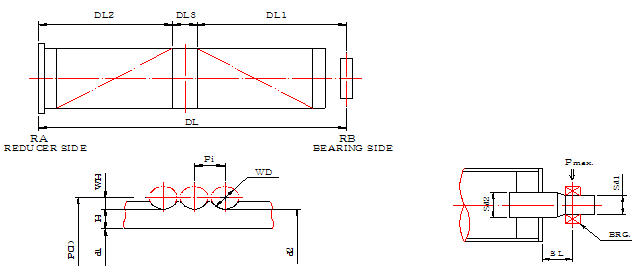
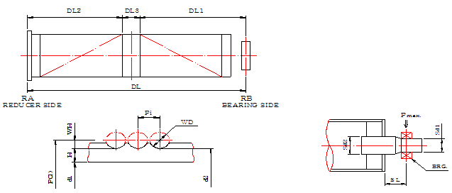
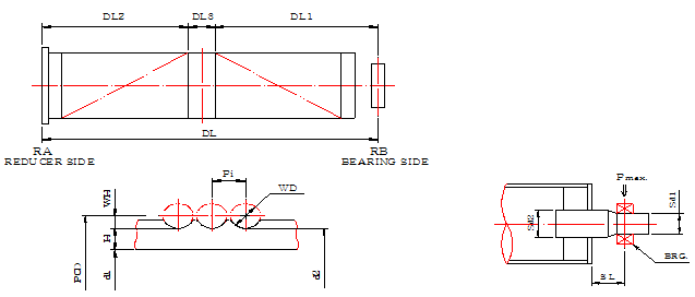
Wire rope safety factor calculation of hoisting device (Indoor EOC)

* Wire rope safety factor calculation of hoisting device (Indoor EOC) * Rated load : R = ton * Hook(attachment) weight : A = ton * No. of wire rope fall : N = fall * Wire rope reeving efficiency : Er = (Refer to sheave bearing) * Used Wire rope dia. : Dw = (Refer to catalogue) * Wire rope min. breaking load : Fb = (Refer to catalogue) * Required wire rope safety factor : Sr = (Refer to specifica..

크레인 계산서 2021.09.14

단위환산(SI단위로의 변환에서 단위의 환산율표)

* 단위환산 (SI단위로의 변환에서 단위의 환산율표) 압력 Pa bar kgf/cm^2 atm mmH2O mmHg 또는 Torr 1 1×10^-5 1.01972×10^-5 9.86923×10^-6 1.01972×10^-1 7.50062×10^-3 1×10^5 1 1.01972 9.86923×10^-1 1.01972×10^4 7.50062×10^2 9.80665×10^4 9.80665×10^-1 1 9.67841×10^-1 1.0000×10^4 7.35559×10^2 1.01325×10^5 1.01325 1.03323 1 1.03323×10^4 7.60000×10^2 9.80665 9.80665×10^-5 1.0000×10^-4 9.67841×10^-5 1 7.35559×10^-2 1.33322×10^2 ..

크레인 계산서 2021.09.11