
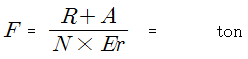
* Hoisting speed : V = m/min
* Rated load : R = ton
* Hook(attachment) weight : A = ton
* Wire drum & wire rope weight : Dw = ton
* No. of wire rope fall : N = fall
* Wire rope reeving efficiency : Er =
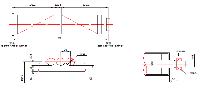
* Wire drum groove PCD : PCD = cm
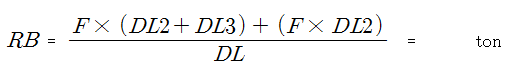
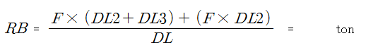
* Wire drum overall length : DL = cm
* Wire drum groove length(bearing side) : DL1 = cm
* Wire drum groove length(reducer side) : DL2 = cm
* Wire drum no groove length(center) : DL3 = cm
* Used bearing no. : #
* Basic dynamic load rating : C = ton (Refer to maker catalogue)
* Required bearing rating life : Lr = Hr (Refer to spec.)
* Rotation factor : ϒ=
* Rated load factor : ψ =
* Wire rope force due to rated load & hook(attachment) weight

* Bearing force(reaction force) due to rated load & hook(attachment) weight

* Bearing force(reaction force) due to wire drum & wire rope weight

* Max. force

* Min. force

* Mean force

* Wire drum bearing rpm

* Speed factor

* Life factor

* Rating life

'크레인 계산서' 카테고리의 다른 글
| Wire rope safety factor calculation of hoisting device (Indoor EOC) (0) | 2021.09.14 |
|---|---|
| Wire rope drum calculation of hoisting device (Indoor EOC) (0) | 2021.09.13 |
| Wheel shaft calculation of trolley drive (Indoor EOC) (0) | 2021.09.12 |
| Wheel shaft calculation of bridge drive (Indoor EOC) (0) | 2021.09.12 |
| Wheel dia. calculation of trolley drive (Indoor EOC) (0) | 2021.09.11 |